- 產品介紹
- 產品原理
- 產品特點
- 應用領域
- 技術參數
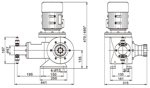
- 安裝尺寸
J-Z系列柱塞式計量泵主要是往復式柱塞泵、活塞泵,按泵的缸數可分為單缸、雙缸、三缸等多種類型。該泵可廣泛用于石油、化工、紡織、食品、造紙、原子能技術、電廠、塑料、制藥、水廠、環保等工業和科技部門。用來向加壓或常壓容器及管道內精確定量輸送不含固體顆粒的液體。其流量可以開機(或定機)時從0-100%范圍內無級調節。(根據計量泵的特性,最少行程一般不小于總行程的10%)單缸泵適用于單一液體的場合;雙缸泵可作比例泵使用,也可并聯使用;三缸泵可作為三比例泵使用,也可三缸并聯,以達到較大排量,增高了液體的脈沖頻率,促使液體連續順暢加入;六缸泵可達三缸泵二倍效果。
流量范圍: 0-460L/H
壓力范圍: 0-50MPa
電機: 0.55KW, 0.75KW, 220V / 380V / 400V, 50/60Hz
驅動系統:兩相、三相電機或防爆電機
流量控制:手動控制, 自動控制
防護等級: IP55,IP54
J-Z系列柱塞式計量泵結構原理:
1.泵的結構:該泵的由電機、傳動箱、缸體等三部份組成。
2.傳動部件是由弓型連桿凸輪機構、行程調節機構和速比蝸輪機構
組成;通過旋轉調節手輪來實行高調節行程,從面改變弓型連桿中前后距離來達到改變柱塞(活塞)行程的目的。
3.缸體部件是由泵頭、吸入閥組、排出閥組、柱塞和填料密封件組成。
4.工作原理:電機經聯軸器帶動蝸桿并通過蝸輪減速使主軸和偏心輪作回轉運動,由偏心輪帶動弓型連桿的滑動調節座內作往復運動。連同膜片,通過單向閥的作用使泵腔內逐漸形成真空,吸入閥打開,吸入液體;當膜片向前死點移動時,此時吸入閥關閉,排出閥打開,液體在膜片的推動下排出。在泵通過調節一定的行程的往復順還工作形成連續有壓力、定量的排放液體。
5.流量調節特性:泵的流量調節是靠旋轉調節手輪,帶動調節螺桿轉動,從而改變弓型連桿間的間距,改變膜片在泵腔內移動行程來決定流量的大小。調節手輪的刻度決定膜片行程,精確率為95%.

|
序號 |
零件名稱 |
序號 |
零件名稱 |
序號 |
零件名稱 |
序號 |
零件名稱 |
|
1 |
箱體 |
9 |
調節頂桿 |
17 |
偏心輪 |
25 |
泵頭 |
|
2 |
電機連接頭 |
10 |
調節桿 |
18 |
健 |
26 |
單向閥 |
|
3 |
電機 |
11 |
密封件 |
19 |
頂桿 |
27 |
接管閥 |
|
4 |
密封件 |
12 |
蝸桿 |
20 |
泵頭聯節頭 |
28 |
填料 |
|
5 |
健 |
13 |
軸承 |
21 |
密封件 |
29 |
柱塞 |
|
6 |
調節器 |
14 |
調節螺絲 |
22 |
柱塞壓緊帽 |
30 |
泵頭壓板 |
|
7 |
手輪 |
15 |
主軸 |
23 |
填料壓緊帽 |
31 |
軸承墊板 |
|
8 |
緊定螺絲釘 |
16 |
滾輪 |
24 |
螺絲 |
,
1、與介質直接接觸部位全采用不銹鋼及四氟材質。過流適應一般顆粒,無毒無味。
2、精鑄殼體,耐用,精密澆鑄殼體,鑄銅蝸輪及耐磨球軸承,潤滑油潤滑所有驅動零件。
3、易損部件全部經過特殊化處理,質量保證。
4、內部配置性能卓越的調節器總成,延長泵的使用壽命,并降低了噪音。
5、定量輸出,在泵運行或停止時也可任意調節流量,精密度高可達正負百分之一。
6、吐出壓力最高一款系列可達500KG。
7、適用于輸送溫度為 -30~120℃,粘度為 0.3~800mm2/s 的介質。
J-Z型液壓隔膜式計量泵廣泛應用于石油化學工業、醫藥、飲食、火電廠、核電、環境保護、礦山、國防等科研和生產部門。
|
型 號 |
流量(L/H) |
壓力(Mpa) |
柱塞直徑(MM) |
行程(MM) |
泵速(MIN-1) |
功率(KW) |
進口口徑(MM) |
重量(KG) |
|
J-Z 3.8/50 |
3.8 |
50 |
6 |
25 |
96 |
0.75 |
6 |
45 |
|
J-Z 6.5/40 |
6.5 |
40 |
8 |
0.75 |
|
J-Z 6.5/28 |
6.5 |
28 |
0.55 |
|
J-Z 10/25 |
10 |
25 |
10 |
0.75 |
|
J-Z 10/20 |
10 |
20 |
0.55 |
|
J-Z 15/20 |
15 |
20 |
12 |
0.75 |
8 |
|
J-Z 15/16 |
15 |
16 |
0.55 |
|
J-Z 25/15 |
25 |
15 |
16 |
0.75 |
|
J-Z 25/12.5 |
25 |
12.5 |
0.55 |
|
J-Z 40/8 |
40 |
8 |
20 |
0.75 |
12 |
|
J-Z 40/6.3 |
40 |
6.3 |
0.55 |
|
J-Z 68/5 |
68 |
5 |
25 |
0.75 |
|
J-Z 68/3 |
68 |
3 |
0.55 |
|
J-Z 80/4 |
80 |
4 |
28 |
0.75 |
|
J-Z 80/2 |
80 |
2 |
0.55 |
|
J-Z 110/2 |
110 |
2 |
32 |
0.55 |
|
J-Z 130/3.2 |
130 |
3.2 |
35 |
0.75 |
|
J-Z 130/1.6 |
130 |
1.6 |
0.55 |
|
J-Z 160/1.6 |
160 |
1.6 |
38 |
0.55 |
|
J-Z 160/1.3 |
160 |
1.3 |
0.55 |
|
J-Z 190/1.0 |
190 |
1.0 |
42 |
0.55 |
17 |
|
J-Z 190/0.8 |
190 |
0.8 |
0.55 |
|
J-Z 270/1.0 |
270 |
1.0 |
50 |
0.75 |
|
J-Z 270/0.8 |
270 |
0.8 |
0.55 |
|
J-Z 320/1.0 |
320 |
1.0 |
55 |
0.75 |
|
J-Z 400/0.8 |
400 |
0.8 |
60 |
0.75 |
|
J-Z 460/0.8 |
460 |
0.8 |
65 |
0.75 |

J-Z型柱塞式計量泵|故障原因分析及排除方法
|
序
號 |
故障特征 |
故 障 原 因 |
排 除 方 法 |
|
1 |
完全不排液 |
1. 吸入高度太高
2. 吸入管道阻塞
3. 吸入管道漏氣 |
1. 降低安裝高度
2. 清洗疏通吸入管道
3. 壓緊或更換密封墊片 |
|
2 |
排液量不夠 |
1. 吸入管道局部阻塞
2. 吸入或排出閥內有異物卡阻
3. 泵閥磨損關閉不嚴
4. 轉速不足 |
1. 疏通吸入管道
2. 清洗吸排閥
3. 修理或更換閥件
4. 檢查電機和電壓 |
|
3 |
排出壓力不穩定 |
1. 吸入或排出閥內有雜物卡阻或漏氣
2. 管道未設置背壓閥 |
1. 清除吸、排閥內的雜質
擰緊螺絲消除漏氣
2. 增設背壓閥 |
|
4 |
計量精度不夠 |
1. 柱塞密封填料漏液
2. 吸入或排出閥磨損
3. 電機轉速不穩定
4. 調節手輪移位 |
1. 調整或更換密封填料
2. 更換吸排閥
3. 穩定電源頻率和電壓
4. 校準并固定 |
|
5 |
運轉中有沖擊聲 |
1. 轉動零件松動或嚴重磨損
2. 吸入高度過高
3. 吸入管道漏氣
4. 介質中有空氣
5. 吸入管徑太少
6. 排出壓力過高 |
1. 擰緊有關螺絲或更換新零件
2. 降低安裝高度
3. 壓緊吸入法蘭或螺母
4. 排除介質中的空氣
5. 增大吸入管徑
6. 降低壓力 |